| Autor | Thema |
|---|---|
|
FabianH
Grand Master of Rocketry
Registriert seit: Okt 2003 Wohnort: Gevelsberg Verein: Ramog, Solaris-RMB, FAR Beiträge: 4123 Status: Offline |
Beitrag 59249
[
cooles projekt was nimmt denn so nen motor als budget, bzw. rentiert der sich eher als zum beispiel der J von WCH?
MfG Fabian |
|
Hermann
SP-Schnüffler Registriert seit: Okt 2002 Wohnort: Göttingen Verein: Beiträge: 907 Status: Offline |
Beitrag 59304
[
Moin
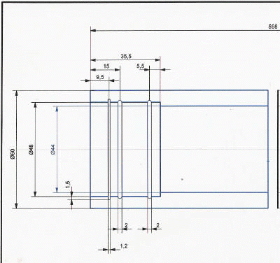
So habe ich mir die Düsenaufnahme vorgestellt. Zur Zeit ist der Motor- block zur Bearbeitung bei einen Bekannten. Einige Teile kann ich in meiner Firma nicht selber herstellen ( Zeitmäßig ). Bis die Brennstoff kammer fertig ist, das kann noch dauern. Die Düse wird durch zwei O-Ringe und einen Seegering gehalten. Ich werde aber in den nächsten Tagen, die Einspritzdüsen drehen. Gruß: Hermann Folgende Datei wurde angehängt: Risiko ist die Bugwelle des Erfolgs. (Carl Amery)
|
|
emmpunkt
Überflieger Registriert seit: Jul 2003 Wohnort: Nümbrecht Verein: Solaris-RMB Beiträge: 1115 Status: Offline |
Beitrag 59308
[
Hermann, seh ich das richtig, das du Einstiche für die O-Ringe in das Alurohr machen willst?
Du hast doch schon Einstiche im Graphit! Wenn ja, vergiss es! Du bekommst das weder dicht, noch bekommst du die Düse jemals wieder raus. Wenn du was über O-Ringe wissen willst, dann lad dir das mal runter. Da steht alles drin was man wissen muss. Gruss M. |
|
Oliver Arend
Administrator
Registriert seit: Aug 2000 Wohnort: Great Falls, VA, USA Verein: RMV/Solaris/AGM/TRA L1/TCV/MDRA/NOVAAR Beiträge: 8413 Status: Offline |
Beitrag 59313
[
M. hat auf jeden Fall schonmal Recht. Hierzu noch:
DIN 65202, Ausgabe: 1999-07 Luft- und Raumfahrt - O-Ringe aus Elastomeren - Maße Diese Norm habe ich während meiner Konstruktionen verwendet, recht hilfreich. Ich meine darin wären auch die Einbauvorschriften und -maße für O-Ringe angegeben. DIN 65203, Ausgabe: 2001-02 Luft- und Raumfahrt - O-Ringe aus Elastomeren - Technische Lieferbedingungen Weiß nicht ob die auch weiterhilft, aber reinkucken schadet nicht ;-) Oliver |
|
Hermann
SP-Schnüffler Registriert seit: Okt 2002 Wohnort: Göttingen Verein: Beiträge: 907 Status: Offline |
Beitrag 59352
[
Hi
Da hätte ich beinahe einen Fehler gemacht. Es ist aber noch nicht zu Spät. Die Düse werde ich in den nächsten Tagen mit zur Firma nehmen und dort anfasen. Zum Glück ist der Motorblock ( Ich nenn ihn einfach so ) noch nicht in bearbeitung. Die Zeichnung habe ich auch mit einen Hintergedanken hier ins Forum gesetzt...fals ich einen Fehler gemacht habe, das ich eventuell darauf aufmerksam gemacht werde. Darum habe ich auch geschrieben : Zitat: Gruß: Hermann Risiko ist die Bugwelle des Erfolgs. (Carl Amery)
|
|
Hermann
SP-Schnüffler Registriert seit: Okt 2002 Wohnort: Göttingen Verein: Beiträge: 907 Status: Offline |
Beitrag 61318
[
Moin
Ich werde die Düse nicht anfasen. Die Einstiche werde ich nur vergrößern. Der Einspriztkopf ist zur zeit in Bearbeitung. Er ist fast fertig. Zur Zeit kann ich nichts machen, bin auf gelben Schein zuhause. Es fehlt nur noch die Bohrungen für die Einspritzdüse. Ne Zeichnung werde ich dem nächst hier im Forum reinstellen. Das Foto vom Ein- spritzkopf folgt dann. Gruß: Hermann Risiko ist die Bugwelle des Erfolgs. (Carl Amery)
|
|
Hermann
SP-Schnüffler Registriert seit: Okt 2002 Wohnort: Göttingen Verein: Beiträge: 907 Status: Offline |
Beitrag 62768
[
Moin
Über meiner Firma kann ich mir O-Ringe ( Teflon ) bestellen, Hitzebeständig bis 1000 Grad. Die Teile haben eine stolzen Preis = einer fast 13 €. Vier Stück brauche ich. Gruß: Hermann Risiko ist die Bugwelle des Erfolgs. (Carl Amery)
|
|
emmpunkt
Überflieger Registriert seit: Jul 2003 Wohnort: Nümbrecht Verein: Solaris-RMB Beiträge: 1115 Status: Offline |
Beitrag 62770
[
Hi Hermann,
weisst du mittlerweile wie lang der Motor brennt? Bei kurzen Brennzeiten würde ich nicht so teure O-Ringe verwenden. Die 1000 Grad erreichtst du eh nicht (da ist dein Alu schon weg )Nimm lieber "normale" Hochtemperatur-Ringe, die gehen bis ca. 300 Grad. (Mir fällt der Name gerade nicht ein )Die musst du dann allerdings nach jedem Einsatz erneuern! Gruss M. |
|
Felix N
Überflieger Registriert seit: Nov 2001 Wohnort: Leimen Verein: Solaris-RMB Beiträge: 1466 Status: Offline |
Beitrag 62771
[
Das müsste dann Viton sein. Silicon O-Ringe sollten auch gehen.
Gruß Felix Sky´s not the limit!
|
|
Oliver Arend
Administrator
Registriert seit: Aug 2000 Wohnort: Great Falls, VA, USA Verein: RMV/Solaris/AGM/TRA L1/TCV/MDRA/NOVAAR Beiträge: 8413 Status: Offline |
Beitrag 62789
[
Teflon hält auch nicht bis 1000 Grad. Auch Weichmetall-Dichtringe können es nicht sein, die dürften bei 1000 Grad schon langsam den Geist aufgegeben haben. Am ehesten käme noch Kohlefaser in Frage... Da man die O-Ringe nach jedem Abbrand sowieso erneuern sollte, lohnt es sich kaum in teure O-Ringe zu investieren.
Oliver |






)
)